4.76 руб./м
4.76 руб./м
4.13 руб./м
5.76 руб./м
5.04 руб./м
4.52 руб./м
4.28 руб./м
17.39 руб./м
12.87 руб./м
18.10 руб./м
Назначение
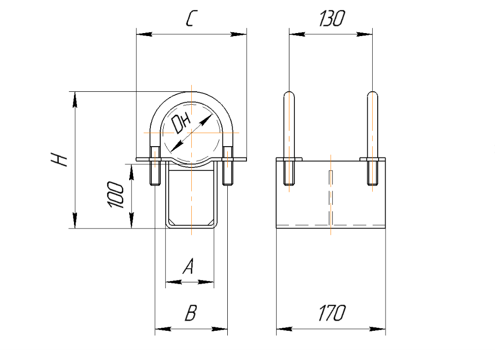
Опоры трубопроводов серии 5.903-13 выпуск 6-95 представляют собой специализированные конструкции, предназначенные для крепления и поддержания технологических и магистральных трубопроводов. Данная серия разработана для обеспечения надежной фиксации труб различных диаметров в промышленных условиях, включая объекты энергетики, нефтегазовой отрасли и коммунального хозяйства. Конструкции обеспечивают стабильное положение трубопроводов, компенсируют температурные расширения и вибрационные нагрузки.
Конструктивные особенности
Выпуск 6-95 включает в себя различные типы опорных конструкций, каждая из которых разработана для конкретных условий эксплуатации. Серия включает как неподвижные, так и подвижные опоры, позволяющие трубопроводу свободно перемещаться при тепловом расширении. Особенностью конструкций является использование усиленных элементов крепления и возможность регулировки положения опорных частей. Все элементы изготавливаются с учетом требований к механической прочности и долговечности.
Технические параметры
Опоры серии 5.903-13 предназначены для работы с широким диапазоном диаметров трубопроводов - от 57 до 1420 мм. Конструкции рассчитаны на значительные весовые нагрузки и способны выдерживать давление рабочей среды до 10 МПа. Температурный диапазон эксплуатации составляет от -60 до +450 °C, что позволяет использовать их в различных климатических условиях. Для изготовления применяются качественные марки стали, включая низколегированные стали 09Г2С и 17Г1С, обеспечивающие необходимую прочность и устойчивость к коррозии.
Преимущества и особенности
Основным преимуществом серии является универсальность конструкций, позволяющая использовать их на различных объектах. Опоры характеризуются простотой монтажа и возможностью регулировки, что значительно упрощает процесс installation. Конструкции предусматривают возможность компенсации тепловых перемещений без потери устойчивости системы. Все изделия соответствуют требованиям ГОСТ и отраслевых стандартов, что гарантирует их надежность и безопасность эксплуатации.
